Marka : Wago |Ürün Kodu : 750-653/003-000
☆☆☆☆☆
0 Yorum | Yorum Yap
Wago 750-653/003-000 RS485 1200-19200 Baud Serial Interface
Kampanya
- Ürün Özellikleri
-
Yorumlar (0 Yorum)☆☆☆☆☆
Soru Sor
-
Wago Baud Serial Interface
Not: Bu ürünün garanti süresi 2 yıldır.
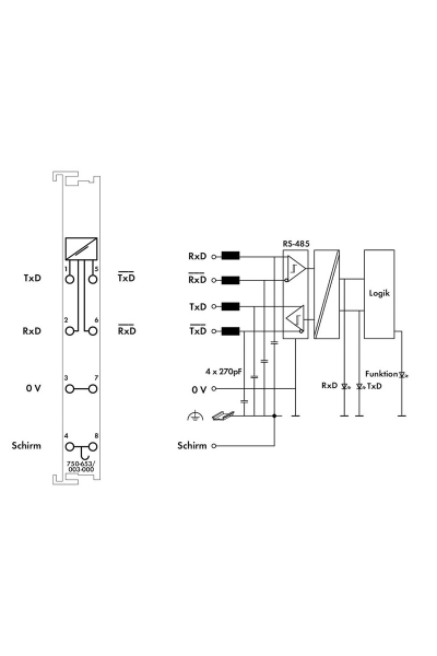
Teknik VeriSinyal Tipi:RS-422/-485Baud Hızı:1,2 kBd … 19,2 kBd (9600 baud (varsayılan ayar))Bit Aktarımı:ISO 8482 / DIN 66259 - 4İletim Kanalları:2 TxD / 1 RxD
full duplexHat Uzunluğu:Yakl. 1000 m Bükülü ÇiftBit Genişliği:2 x 24 bit giriş / çıkış (3 baytlık kullanıcı verileri)
1 x 8 bit kontrol / durumParit:Yok/Eşit (Ayarlanabilir)Veri Bit Sayısı:7/8 (Ayarlanabilir)Stop Bitleri:1/2Tampon:128 byte giriş/16 byte çıkışSistem Kaynağı Voltajı:5 VDC; veri kişileri aracılığıylaMevcut Tüketim, Sistem Kaynağı (5 V):65 mAİzolasyon:500 V sistem/beslemeBağlantı VerisiBağlantı Teknolojisi: Giriş- / Çıkışlar:8 x CAGE CLAMP®Bağlantı Türü (1):Girişler/ÇıkışlarTek Damarlı Boylar:0,08 … 2,5 mm² / 28 … 14 AWGİnce Bükümlü Kablolar:0,08 … 2,5 mm² / 28 … 14 AWGSıyırma Uzunluğu:8 … 9 mmGeometrik VerilerMekanik VerilerMalzeme VerileriÇevresel Gereklilikler -
Ortalama Puan★★★★★Çok İyi★★★★★İyi★★★★★Ortalama★★★★★Kötü★★★★★Çok Kötü() ()
()
()
()
