Gwest SKP-D 25-8 200 Adet DIN 46235 Tip Kablo Pabucu
- Ürün Özellikleri
-
Yorumlar (0 Yorum)☆☆☆☆☆
Soru Sor
-
Gwest DIN 46235 Tip Kablo Pabucu
Bağlantı ürünleri içerisinde yer alan kablo pabuçları, elektriksel uygulamalarda kabloların uç kısımlarına takılarak diğer elemanların terminal uçlarına bağlanmasını sağlayan ürünlerdir.
Hem direkt bağlantıların sakıncalı olduğu alanlarda hem de kalıcı bağlantı gerektiren uygulamalarda kullanılabilen kablo pabuçları ile elektrik bağlantıları daha güvenli hale getirilebilir.
Gwest kablo pabucu, EN/13600 standartlarında olan bakır malzemeden imal edilmiş olup, üretimi sırasında kullanılan tavlı bakır borular sayesinde sıkma uygulaması esnasında kırılma gibi sorunların yanı sıra, işlem sonrasında gevşeme gibi durumların da önüne geçilmiştir.
DIN 46235 tipi kablo pabucu modeli olan bu ürün, üretiminde kullanılan bakır malzeme sayesinde %99.9 oranında yüksek iletkenliğe sahiptir.
5-8 micron aralığında %100 kalay kaplamalı olması ile yüksek dayanıklılığa sahiptir.
M8 delik çapına sahiptir ve 25 mm² kesitli kablolarda kullanıma uygundur.
Bir paket içerisinde 200 adet DIN 46235 tip kablo pabucu bulunmaktadır.
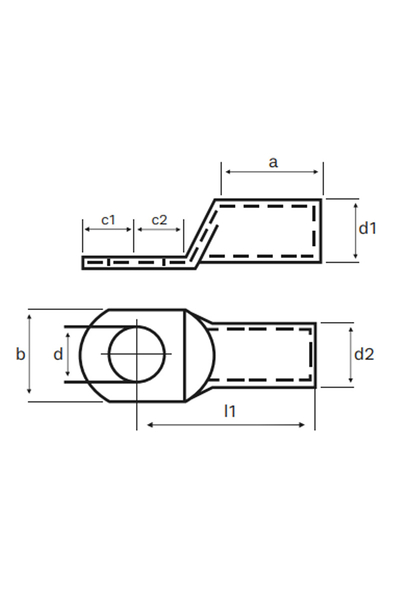
Ürün ÖzellikleriKablo Kesiti:25 mm²Delik Çapı:M8Ebat:d: 8.4 mm
d1: 7 mm
d2: 10 mm
l1: 38 mm
a: 20 mm
b: 16 mm
c1: 10 mm
c2: 10 mm -
Ortalama Puan★★★★★Çok İyi★★★★★İyi★★★★★Ortalama★★★★★Kötü★★★★★Çok Kötü() ()
()
()
()
