Marka : Wago |Ürün Kodu : 750-963
☆☆☆☆☆
0 Yorum | Yorum Yap
Wago 750-963 CANopen D-Sub Dişi Konnektör
Kampanya
- Ürün Özellikleri
-
Yorumlar (0 Yorum)☆☆☆☆☆
Soru Sor
-
Wago Konnektörler
Not: Bu ürünün garanti süresi 2 yıldır.
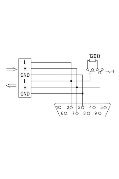
Teknik VeriBağlantı Türü:D-Sub 9 soketKutup Sayısı:9İletişim / Fieldbus:CANopenBaud Hızı:10 kBd … 1 MBd (CANopen özelliklerine göre)Bağlantı VerisiBağlantı Türü (1):CAGE CLAMP® kilitleme sürgülü klemens şeridi (218 Serisi)Tek Damarlı Boylar:0,08 … 0,5 mm² / 28 … 20 AWGSıyırma Uzunluğu:5 … 6 mmGeometrik VerilerMekanik VerilerÇevresel Gereklilikler -
Ortalama Puan★★★★★Çok İyi★★★★★İyi★★★★★Ortalama★★★★★Kötü★★★★★Çok Kötü() ()
()
()
()
